厂家供应 耐高温端子台,接线端子,接线柱,连接端子 国标
常州市武进区南夏墅镇赵巷电子元件厂 接线柱产品列表
有线电视四 rg6冷压图片,有线电视四 rg6冷压高清图片 广陵区博尔有线电视器材厂,
包邮音箱喇叭功放双位红黑联连体接线柱镀金接线端子香蕉插头插座
高温接线排高温接线排接线柱vde认证 思大
广东浩弦特种陶瓷 东莞 电热制品厂 主营 特种陶瓷电热制品 电
筒灯接线端子 筒灯孔开多大
二十七厂灯丝变压器.进口管.拆机件.波段开关.黄油枪.保险座.接线柱.管座.磁控管.车台 powered discuz
接线端子,黑端子绿端子,接线柱接线排端子座,进联绿端子进联黑端子生产供应商 连接器
生产防爆静触头 梅花触头
tnc连接器 接插件图片,tnc连接器 接插件高清图片 常州市武进区礼嘉镇苏创电子厂,
深圳rs232转rs485通用接口转换器高清图片 高清大图
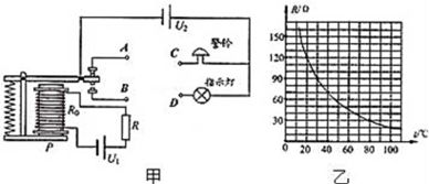
如图所示 abcd为接线柱, ad与220v交流电源连接,ab,bc,cd间分别连接一个电阻,现发现电路中没有电流
看准了再买 上半年降幅最高卡片推荐
380v三相异步电动机实物接线图解
冬季长途用车须知 暨春节出游注意事项
拆电瓶线的顺序为什么是先拆负极再正极呢
音箱接线柱怎么接线
elac db52音箱 nad d3020功放桌面音响系统
如若转载,请注明出处:http://www.lydqpj.com/product/list-6.html